LTspice®演示电路集(功率电子)
ROHM提供用于电路仿真的LTspice®模型,
助力通过电路仿真进行初步验证。
LTspice®是 Analog Devices, Inc. 的注册商标。
| Category | Topology | NO. | Simulation circuit name | Circuit Models zip download |
Document download |
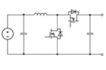
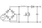
| Boost PFC | A-001-D3 | AC-DC Boost PFC Vin=200V Iin=2.5A BCM (Equipped with TO247-N Package) |
|||
| A-002-D3 | AC-DC Boost PFC Vin=200V Iin=2.5A CCM (Equipped with TO247-N Package) |
||||
| A-004-D3 | AC-DC Boost PFC Vin=200V Iin=2.5A DCM (Equipped with TO247-N Package) |
||||
| A-003-D3 | AC-DC Boost PFC Vin=200V Iin=2.5A CCM Synchronous FETs (Equipped with TO247-N Package) |
||||
| A-005-D3 | AC-DC Boost PFC Vin=200V Iin=2.5A DCM Synchronous FETs (Equipped with TO247-N Package) |
||||
| Interleaved PFC | A-006-D3 | AC-DC Interleaved PFC Vin=200V Iin=2.5A CCM (Equipped with TO247-N Package) |
|||
| A-007-D3 | AC-DC Interleaved PFC Vin=200V Iin=2.5A CCM Synchronous FETs (Equipped with TO247-N Package) |
||||
| A-009-D3 | AC-DC Interleaved PFC Vin=200V Iin=2.5A DCM Synchronous FETs (Equipped with TO247-N Package) |
||||
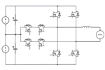
| A-017-D3 | AC-DC 3-Phase Interleaved PFC Vin=200V Iin=7.5A DCM (Equipped with TO247-N Package) |
||||
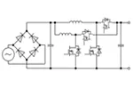
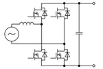
| Totem-pole PFC | A-010-D3 | AC-DC Totem-Pole Bridgeless PFC Vin=200V,Iin=100A,Synchronous FETs (Equipped with TO247-N Package) |
|||
| A-010-HSD | AC-DC Totem-Pole Bridgeless PFC Vin=200V,Iin=100A,Synchronous FETs (Equipped with HSDIP20 Package) |
||||
| A-011-D3 | AC-DC Totem-Pole Bridgeless PFC Vin=200V,Iin=100A,Diode Rectification (Equipped with TO247-N Package) |
||||
| Diode-Bridgeless PFC | A-012-D3 | AC-DC Diode-Bridgeless PFC Vin=200V Iin=2.5A BCM (Equipped with TO247-N Package) |
|||
| A-014-D3 | AC-DC Diode-Bridgeless PFC Vin=200V Iin=50A CCM Synchronous FETs (Equipped with TO247-N Package) |
||||
| A-016-D3 | AC-DC Diode-Bridgeless PFC Vin=200V Iin=50A DCM Synchronous FETs (Equipped with TO247-N Package) |
||||
| 3-Phase PFC | A-019-D3 | AC-DC 3-Phase 2-level Full Bridge PFC 3-Wire Vin=200V Pin=25kW (Equipped with TO247-N Package) |
|||
| A-020-D3 | AC-DC 3-Phase Plus Neutral 2-level Full Bridge PFC Vin=200V Pin=25kW (Equipped with TO247-N Package) |
||||
| A-021-D4 | AC-DC 3-Phase Vienna PFC Vin=480V Pin=33kW (Equipped with TO247-4L Package) |
||||
| A-021-DOT | AC-DC 3-Phase Vienna PFC Vin=400Vac Pin=33kW Vout=800Vdc (Equipped with DOT-247 Package) |
| Category | Topology | NO. | Simulation circuit name | Circuit Models zip download |
Document download |
| IH Inverter | B-001-D3 | DC-AC IH 1-Phase 2-level Half Bridge Inverter Pout=10kW (Equipped with TO247-N Package) |
|||
| B-002-D3 | DC-AC IH 1-Phase 2-level Full Bridge Inverter Pout=20kW (Equipped with TO247-N Package) |
||||
| Half Bridge Inverter | B-003-D3 | DC-AC 1-Phase 2-level Half Bridge Inverter Pout=20kW (Equipped with TO247-N Package) |
|||
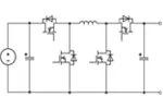
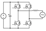
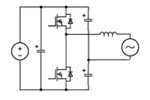
| Full Bridge Inverter | B-004-D3 | DC-AC 1-Phase 2-level Full Bridge Inverter Pout=20kW (Equipped with TO247-N Package) |
|||
| B-004-HSD | DC-AC 1-Phase 2-level Full Bridge Inverter Pout=20kW (Equipped with HSDIP20 Package) |
||||
| 1-phase 3-wire inverter | B-005-D3 | DC-AC 1-Phase 3-Wire Inverter Pout=20kW (Equipped with TO247-N Package) |
|||
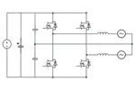
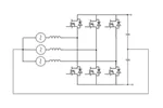
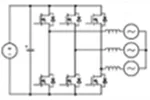
| 3-Phase Inverter | B-006-D3 | DC-AC 3-Phase 3-Wire Inverter Pout=5kW (Equipped with TO247-N Package) |
|||
| B-006-HSD | DC-AC 3-Phase 3-Wire Inverter Pout=15kW (Equipped with HSDIP20 Package) |
||||
| B-006-DOT | DC-AC 3-Phase 3-Wire Inverter Pout=15kW (Equipped with DOT-247 Package) |
||||
| B-008-D3 | DC-AC 2-Phase Modulation Inverter Pout=10kW for Motor Drive (Equipped with TO247-N Package) |
||||
| B-009-D3 | DC-AC 3-Phase Modulation Inverter Pout=10kW for Motor Drive (Equipped with TO247-N Package) |
||||
| B-010-D3 | DC-AC 3-Phase Step Moduolation Inverter Pout=5kW for Motor Drive (Equipped with TO247-N Package) |
||||
| B-007-D3 | DC-AC 3-Phase Plus Neutral Inverter Pout=15kW (Equipped with TO247-N Package) |
||||
| B-007-HSD | DC-AC 3-Phase Plus Neutral Inverter Pout=15kW (Equipped with HSDIP20 Package) |
||||
| 3-level inverter | B-011-DOT | DC-AC 3-level NPC-T Inverter Pout=10kW (Equipped with DOT-247 Package) |
|||
| B-012-DOT | DC-AC 3-level NPC-I Inverter Pout=10kW (Equipped with DOT-247 Package) |
| Category | Topology | NO. | Simulation circuit name | Circuit Models zip download |
Document download |
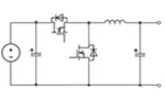
| Boost Converter | C-002-D3 | DC-DC Boost Converter Vo=800V Io=20A (Equipped with TO247-N Package) |
|||
| C-004-D3 | DC-DC Boost Synchronous Converter Vo=800V Iin=20A (Equipped with TO247-N Package) |
||||
| Buck Converter | C-008-D3 | DC-DC Buck Synchronous Converter Vo=250V Io=100A (Equipped with TO247-N Package) |
|||
| C-009-D3 | DC-DC Buck Synchronous Converter 2-Phase Vo=250V Io=200A (Equipped with TO247-N Package) |
||||
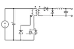
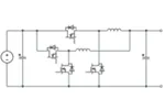
| Flyback Converter | C-010-D3 | DC-DC Flyback Converter Vin=800V Vo=25V Io=10A (Equipped with TO247-N Package) |
|||
| DC-DC Flyback Converter Vin=900V Vo=25V Io=2A (Equipped with TO247-N Package) |
|||||
| C-022-D3 | DC-DC Active Clamp Flyback Converter Vin=800V Vo=24V Io=10A (Equipped with TO247-N Package) |
||||
| Quasi-Resonant Converter | C-016-D3 | DC-DC Quasi-Resonant Converter Vin=800V Vo=25V Io=10A (Equipped with TO247-N Package) |
|||
| Forward Converter | C-011-D3 | DC-DC Forward Converter Vin=500V Vo=25V Io=10A (Equipped with TO247-N Package) |
|||
| C-021-D3 | DC-DC Active Clamp Forward Converter Vin=400V Vo=24V Io=10A (Equipped with TO247-N Package) |
||||
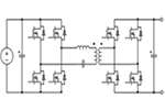
| LLC Resonant Converter | C-012-D3 | DC-DC LLC Buck Converter Vo=12V Io=250A (Equipped with TO247-N Package) |
|||
| C-014-D4 | DC-DC LLC Converter (Full bridge, Synchronous Rectification) (Equipped with TO247-4L Package) |
||||
| C-014-DOT | DC-DC LLC Converter Full bridge Synchronous Rectification Vin=800V Vout=50V Pout=15kW (Equipped with DOT-247 Package) |
||||
| Buck-Boost Converter | C-017-D3 | DC-DC Buck-Boost Converter Vo=400V Io=40A (Equipped with TO247-N Package) |
|||
| Phase-Shift Resonant Converter | C-019-D3 | DC-DC Phase-Shift Buck Converter Vo=12V Io=250A (Equipped with TO247-N Package) |
各类拓扑结构及推荐产品点此查看
