PLECS®演示电路集(功率电子)
ROHM提供用于电路仿真的PLECS®模型,
助力通过电路仿真进行初步验证。
PLECS®是Plexim, Inc. 的注册商标。
| Category | Topology | NO. | Simulation circuit name | Circuit Models zip download |
Document download |
| Boost PFC | A-002-D | AC-DC Boost PFC Diode Rectification (Equipped with Discrete) |
|||
| Totem-pole PFC | A-010-DOT | AC-DC Totem-Pole PFC Synchronous Rectification (Equipped with DOT-247 Package) |
|||
| A-011-D | AC-DC Totem-Pole PFC Diode Rectification (Equipped with Discrete) |
||||
| 3-Phase PFC | A-021-D | AC-DC 3-Phase Vienna PFC (Equipped with Discrete) |
|||
| A-021-DOT | AC-DC 3-Phase Vienna PFC (Equipped with DOT-247 Package) |
| Category | Topology | NO. | Simulation circuit name | Circuit Models zip download |
Document download |
| Full Bridge Inverter | B-004-D | DC-AC single-phase 2-Level Full-Bridge Inverter (Equipped with Discrete) |
|||
| B-004-DOT | DC-AC single-phase 2-Level Full-Bridge Inverter (Equipped with DOT-247 Package) |
||||
| 3-Phase Inverter | B-009-D | DC-AC 3-phase 2-Level Motor Driver (Equipped with Discrete) |
|||
| 3-level inverter | B-011-DOT | DC-AC 3-phase 3-Level NPC-Type-T Inverter (Equipped with DOT-247 Package) |
|||
| B-012-DOT | DC-AC 3-phase 3-Level NPC-Type-I Inverter (Equipped with DOT-247 Package) |
| Category | Topology | NO. | Simulation circuit name | Circuit Models zip download |
Document download |
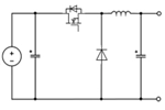
| Boost Converter | C-002-D | DC-DC Boost Converter (Equipped with Discrete) |
|||
| Buck Converter | C-006-D | DC-DC Buck Converter (Equipped with Discrete) |
|||
| Flyback Converter | C-010-D | DC-DC Flyback Converter (Equipped with Discrete) |
|||
| Forward Converter | C-011-D | DC-DC Forward Converter (Equipped with Discrete) |
|||
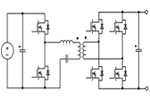
| LLC Resonant Converter | C-023-D | DC-DC LLC Half-Bridge Converter (Equipped with Discrete) |
|||
| C-023-DOT | DC-DC LLC Half-Bridge Converter (Equipped with DOT-247 Package) |
||||
| C-014-D | DC-DC LLC Full-Bridge Converter (Equipped with Discrete) |
||||
| C-014-DOT | DC-DC LLC Full-Bridge Converter (Equipped with DOT-247 Package) |
||||
| Phase-Shift Resonant Converter | C-019-D | DC-DC Phase-Shift Full-Bridge Converter (Equipped with Discrete) |
|||
| C-019-DOT | DC-DC Phase-Shift Full-Bridge Converter (Equipped with DOT-247 Package) |
各类拓扑结构及推荐产品点此查看
