LLC converter (Full Bridge, Diode Bridge)
说明
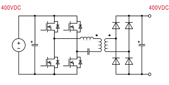
在LLC转换器类别中,它是一种经常在功率相对较高(几千瓦)和电压相对较高(48V或更高)下使用的电路。 一次侧的开
关电路由一个全桥组成,二次侧由一个二极管桥组成。
概要
- 实现位于一次侧的 Cr 和 Lr 之间的串联谐振
- Lr有时是通过变压器的漏感来实现的
- 通过开关频率控制输出电压的复杂电路
- 软开关操作与负载无关,而是由磁化电感 Lm 决定
- 瞄准 80 PLUS 认证的钛,效率为 98%
- 开关频率 100~200kHz
电路

主要产品
| Product Category | Product family | Product Number | Feature |
|---|---|---|---|
| Primary Side | 750V SiC MOSFET | SCT4xxxDx series NEW | MOSFET 产品。通过改进低导通电阻实现出色的性能。支持750V的耐压,与传统产品相比,确保了工作裕度,因此可以放心使用。 |
| 650V SiC MOSFET | SCT3xxxAx series | 与本公司传统产品相比,导通电阻低(降低 50%)的沟槽栅极型 SiC MOSFET。 | |
| Secondary Side | 650V Si FRD | RFL series | 超低IR的SBD适用于整流,RBxx8系列可提供广泛的电压选择 |
| 600V Si FRD | RFN series | 适用于低Vf型FR整流电路,即使在大电流下也能实现低损耗。 | |
| Gate Driver | 3750V voltage tolerance | BM61x4xRFV | 1ch构成,3,750Vrms 绝缘型栅极驱动器。可与带电流源端子的开关元件兼容 |
Related Topologies

