REFMOT107
REFMOT107 - Reference Design
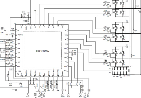
Drive Board for Three-phase Brushless Motor using Three Hall Sensors (Pre-driver BM64300MUV)
Evaluation board to drive a 3 Hall sensor three phase brushless DC motor with supply voltage of 48V (typ) and motor current of 8A (max) . It consists of a 3 hole sensor three phase brushless DC motor pre-driver and 6 Nch MOSFETs. The rotor position is detected by 3 hole sensors, and the sin wave drive realizes silent and low vibration, and the automatic advance angle control enables highly efficient motor drive. The output MOSFET can be mounted in the TO252 package or the HSOP8 package. In this board, the TO252 package product is mounted.
- 3 Hole Sensor Three Phase Brushless DC Motor Pre-Driver and Output MOS N+N Configuration
- Supply voltage 48V(typ)
- Output current 8A(max)
- Sine-wave commutation PWM drive, automatic advance angle control
- Number of motor poles setting function
- Soft start function
- Dead time setting function
- Power save input/ Rotation direction setting input/ Short brake input
Design Resources
Specifications
| Board Number | Input voltage | Output current | Driving method | Other features | Size | ||||||||||
|---|---|---|---|---|---|---|---|---|---|---|---|---|---|---|---|
| BM64300MUV-EVK-001 | 28V to 63V | 8A(Max.) depending on driving capability of MOSFET | 3 Hall sensor sine-wave commutation drive, automatic advance angle control | Input: Control input (PWM), power save, rotation direction setting, short brake. Output: FG output. |
60mm×68mm |
Distribution Inventory
| Board Number | Distributor | Quantity Available |
|---|
Key Components
| Board Number | Product Category | Part Number | Datasheet | Status | SPICE | LTspice® ? | Thermal Model | Symbol & Footprint | 3D STEP | Samacsys ECAD Library | Calc Tool | ROHM Solution Simulator |
|---|---|---|---|---|---|---|---|---|---|---|---|---|
| BM64300MUV-EVK-001 | 3-Phase Brushless DC Motor Drivers | BM64300MUV | - | Recommended | - | - | - | |||||
| BM64300MUV-EVK-001 | 12 to 150V MOSFETs | RD3P175SN | - | Recommended | - | - | - | - |
