Skip to Main Content
使用 Internet Explorer的用户:
浏览ROHM 网站不推荐使用 IE11 浏览器。为了更方便地使用 ROHM 网站,请更新您的浏览器。
新闻
招聘信息
联系我们
站内搜索
罗姆产品
相互对照表
网络代售点库存
ROHM Header
Global - English
Americas - English
Europe - English
Europe - Deutsch
ASEAN/India - English
简体中文
繁體中文
한국어
日本語
我的罗姆 登录
产品信息
放大器/比较器
电源管理
电机/执行机构驱动器
MOSFET/晶体管/二极管
保护器件
功率器件
电阻器 / 电容器(capacitor)
存储器
时钟/计时器
开关/多路转换器/逻辑
数据转换器
传感器/MEMS
显示用驱动器
接口
无线LSI
音频/视频
语音合成LSI
微控制器
光学元器件
无线模块/热敏打印头
Foundry Service
放大器/比较器
运算放大器
通用
高速
低功耗电流
低噪音
低偏移
高性能
比较器
通用
高速
低功耗电流
Current Sense Amplifier ICs
电源管理
DC-DC转换器IC
降压型 (Buck)
升压型 (Boost)
升降压和反相型 (Buck-Boost / Inverting)
AC-DC (Offline) 降压
反激式开关稳压器
Isolated, Optocoupler-less
PWM / Quasi-Resonant AC-DC (Offline)
AC-DC转换器
PWM / Quasi-Resonant
PFC + Quasi-Resonant Combo
PFC
Secondary Side Synchronous Rectification
过零检测IC
线性稳压器
复合电源(PMIC、系统电源)
LED 驱动器
升压LED驱动器
降压LED驱动器
升降压LED驱动器
多形态LED驱动器
照明用LED驱动器
无电感(充电泵)LED驱动器
额定电流/串行、并行LED驱动器
电压检测器(复位IC)
电源管理开关IC
IPD(智能功率元器件)
栅极驱动器
内置绝缘元件的栅极驱动器
Isolated Switch Driver (Isolated MOS Driver)
IGBT/MOSFET 高边/低边栅极驱动器
电池管理系统(BMS)用非绝缘型栅极驱动器
GaN用栅极驱动器
无线供电
受电LSI(13.56MHz Wireless Charge)
送电LSI(13.56MHz Wireless Charge)
电池管理
电池充电IC
充电保护IC
Coulomb Counter
锂电池监控LSI
电机/执行机构驱动器
直流有刷电机驱动器
步进电机驱动器
单相直流无刷电机驱动器
三相无刷电机驱动器
高压三相直流无刷电机驱动器
风扇电机驱动器
打印机用驱动器
数码相机用驱动器
便携式相机模块用驱动器
栅极驱动器
内置绝缘元件的栅极驱动器
IGBT/MOSFET 高边/低边栅极驱动器
电池管理系统(BMS)用非绝缘型栅极驱动器
GaN用栅极驱动器
MOSFET/晶体管/二极管
MOSFET
12-150V MOSFET
190-800V功率MOSFET
车载MOSFET
栅极驱动器
内置绝缘元件的栅极驱动器
IGBT/MOSFET 高边/低边栅极驱动器
电池管理系统(BMS)用非绝缘型栅极驱动器
GaN用栅极驱动器
双极晶体管
双极晶体管
数字晶体管
达灵顿晶体管
异质性复合晶体管
IGBT
场截止沟槽型IGBT
Ignition IGBT
IGBT Bare Die
二极管
肖特基二极管
快速恢复二极管
标准整流二极管
齐钠二极管
TVS二极管
ESD 保护二极管
开关二极管
波段开关二极管
PIN二极管
检波肖特基二极管
保护二极管
齐钠二极管
TVS二极管
ESD 保护二极管
IPD(智能功率元器件)
保护器件
保护二极管
齐钠二极管
TVS二极管
ESD 保护二极管
IPD(智能功率元器件)
功率器件
功率晶体管
12-150V MOSFET
190-800V功率MOSFET
车载MOSFET
双极晶体管
数字晶体管
功率二极管
肖特基二极管
快速恢复二极管
标准整流二极管
TVS二极管
齐钠二极管
SiC(碳化硅)功率器件
SiC (碳化硅) 肖特基二极管
SiC (碳化硅) MOSFET
SiC (碳化硅) 功率模块
SiC (碳化硅) 肖特基势垒二极管Bare Die
SiC (碳化硅) MOSFET Bare Die
GaN功率器件
GaN HEMT
GaN HEMT Power Stage ICs
GaN用栅极驱动器
IGBT
场截止沟槽型IGBT
Ignition IGBT
IGBT Bare Die
智能功率模块
IGBT-IPM
MOS-IPM
栅极驱动器
内置绝缘元件的栅极驱动器
IGBT/MOSFET 高边/低边栅极驱动器
电池管理系统(BMS)用非绝缘型栅极驱动器
电阻器 / Capacitors
电阻器
电流检测用贴片电阻器
高可靠型贴片电阻器
通用型贴片电阻器
电容器(capacitor)
硅电容器
存储器
串行EEPROM
通用
车载用
时钟/计时器
CR控制方式计时器IC
开关/多路转换器/逻辑
标准逻辑IC
逻辑门
USB 开关 IC
电源管理开关IC
IPD(智能功率元器件)
数据转换器
A/D转换器
D/A转换器
音频转换器
传感器/MEMS
Current Sensor IC
霍尔IC系列
照度传感器IC
温度传感器IC
震动传感器用放大器
光学传感器
显示用驱动器
TN/STN液晶显示用驱动器
LCD段码式驱动器系列
图形LCD用 控制器驱动器
TFT液晶显示用驱动器(LCD)
有机EL显示用驱动器(OLED)
接口
SerDes IC
LVDS接口IC
Gas Water Heaters Interface ICs
多输入监控IC
LIN收发器
CAN收发器
USB Type-C Power Delivery
无线LSI
Sub-GHz LSI, SoC
Sub-GHz LSI
Sub-GHz SoC
RFID LSI
音频/视频
音频放大器
扬声器放大器
耳机放大器
线路放大器
音响电源
高音质音响用电源
汽车音响用系统电源
音频处理器
模拟音频处理器
视频放大器
合成视频放大器
视频开关
隔离放大器
音频转换器
音频DAC
图象LSI
视频解码器
视频编码器
面向中小型TFT液晶显示器的显示屏控制器系列
语音合成LSI
车载用
长时间播放
短时间播放
支持外挂存储器
语音播放用微控制器(8bit)
微控制器
边缘计算AI微控制器 (Solist-AI™微控制器)
功率电子控制用微控制器 (LogiCoA™微控制器)
通用型微控制器(16bit)
Automotive MCUs (32bit)
USB接口及安全功能用微控制器 (32bit)
语音播放用微控制器(8bit)
光学元器件
贴片LED
贴片LED(单色型)
贴片LED(多色型)
LED灯(单色型)
红外发光二极管(NIR:近红外光)
红外发光二极管(SWIR:短波红外光)
激光二极管
高输出半导体激光二极管
赤外频带激光
赤色频带激光
多光束激光
光学传感器
传输型光斩波器
Reflective Type Photosensors
红外发光二极管(NIR:近红外光)
红外发光二极管(SWIR:短波红外光)
Phototransistors (NIR: Near Infrared)
照度传感器IC
无线模块/热敏打印头
无线通信模块
特定小功率无线模块(Wi-SUN模块)
EnOcean Modules
Bluetooth® low energy模块
热敏打印头
可移动打印机用系列
标签印字用
娱乐 / ATM
POS
物流、票券、计量器用打印头
标签 / 条形码
TTO(日期编码打印机)用
Foundry Service
Thin-Film Piezoelectric MEMS
Wafer (LAPIS)
技术支持
搜索产品
新产品信息一览
产品目录
产品视频库
替代产品搜索
封装一览
推荐产品搜索
长期供货计划
产品选型工具
同步整流DC-DC转换器 MOSFET选型工具
负载开关用MOSFET的简易选型工具
支持网页
AC-DC转换器IC
DC-DC电源电路 设计指南
绝缘型FLYBACK转换器
SiC功率元器件
设计
拓扑选择
参考设计
应用笔记和设计模型
模拟/计算工具
设计模型
ROHM Solution Simulator
ROHM PLECS Simulator
LTspice
®
演示电路集(功率电子)
PLECS
®
演示电路集(功率电子)
Stepping motor for thermal calculations tool
电阻的计算工具
电阻温度系数(TCR) 计算工具
评估板
传感器评估套件
电源管理评估板
参考设计
已通过CISPR25测试 适用于车载ADAS/Info-Display 8个系统电源树
Single Channel LiDAR (REFLD001)
Totem-Pole PFC Bidirectional Power Converter(REFTPLPFC001)
DC-DC CLLLC Bidirectional Power Converter(REFCLLLC001)
购买
分销库存
网络代售点信息
学习
电路设计学习指南
电子小知识
应用与合作案例
咨询/FAQ
联系我们
常见问题
解决方案
车载
工业设备
消费电子设备
功能(功能电路)
车载
xEV
主驱逆变器/牵引逆变器
车载充电器(OBC)- 双向
车载充电器(OBC)- 单向
车载DC-DC转换器
车载BMS(电池管理系统)
ADAS
ADAS域控制器
ADAS ECU
ADAS雷达
ADAS LiDAR
ADAS声呐
ADAS摄像头系统
ADAS摄像头监控系统(CMS)
ADAS驾驶员监控系统(DMS)
行车记录仪
车身ECU
电动压缩机(E-Comp)
车身控制模块(BCM)
HV加热器/PTC加热器
LED照明
LED前照灯
LED前照灯 - 自适应远光灯
LED尾灯 - 支持冷启动
LED尾灯 - 流水灯点亮
LED尾灯 - 动态控制
示廓灯
雾灯
信息娱乐系统/仪表盘
仪表盘/中央信息显示屏(CID)
抬头显示系统(HUD)
电动摩托车
主驱逆变器/牵引逆变器
VCU(Vehicle Control Unit)
DC-DC转换器
车灯
组合仪表
工业设备
能源
光伏逆变器(PV Inverter)
EV充电桩(Off-board Charger)
工业用AC-DC转换器
小型UPS - 1kVA
UPS - 10kVA
工业用UPS - 100kVA
工业用电池管理系统(电池包)
智能电表
电机
电机驱动:三相 AC100V-240V 非隔离
电机驱动:三相 AC400V 逆变器
电机驱动:DC12V-48V 工业用
电机驱动:三相 AC100V-240V AC伺服
安防
气体泄漏检测仪(商用,手持式)
监控器
服务器/数据中心
电源供应单元(PSU)
备用电池单元(BBU)
AI服务器主板
工厂自动化(FA)
工业用LiDAR
AGV
PLC(Programmable Logic Controller)- 电源单元
PLC (Programmable Logic Controller) - 输入输出单元
读码器
光学式编码器
安全光栅
基础设施
基站 Remote Radio Head(RRH)
消费电子设备
家电
空调
冰箱
洗衣机
扫地机器人
IH电饭煲
燃气泄漏报警器 - 家用
火灾报警器 - 家用
通信设备
可听戴设备
功能(功能电路)
电流检测
非隔离式电流检测 - 车载
非隔离式电流检测 - 工业设备
电机
工业电机
边缘计算AI
完全独立型AI解决方案 “Solist-AI™”
功能安全「ComfySIL™」
功能安全「ComfySIL™」
购买与服务支持
网络代售点库存搜索
前部匹配
▼
前部匹配
部分匹配
完全匹配
购买与服务支持
销售网点
网络代售点
质量认证
其他基地
罗姆集团
生产基地
研发网点 QA中心
物流网点
企业信息・投资方信息
公司介绍
股东和投资方信息
研究开发
文化与社会
可持续发展
我的罗姆 登录
产品信息
技术支持
解决方案
购买与服务支持
企业信息・投资方信息
可持续发展
BACK
放大器/比较器
电源管理
电机/执行机构驱动器
MOSFET/晶体管/二极管
功率器件
电阻器 / 电容器(capacitor)
存储器
时钟/计时器
开关/多路转换器/逻辑
数据转换器
传感器/MEMS
显示用驱动器
接口
无线LSI
音频/视频
语音合成LSI
微控制器
光学元器件
无线模块/热敏打印头
Foundry Service
BACK
放大器/比较器
运算放大器
比较器
Current Sense Amplifier ICs
电源管理
DC-DC转换器IC
反激式开关稳压器
AC-DC转换器
过零检测IC
线性稳压器
复合电源(PMIC、系统电源)
LED 驱动器
电压检测器(复位IC)
电源管理开关IC
IPD(智能功率元器件)
栅极驱动器
无线供电
电池管理
电机/执行机构驱动器
直流有刷电机驱动器
步进电机驱动器
单相直流无刷电机驱动器
三相无刷电机驱动器
高压三相直流无刷电机驱动器
风扇电机驱动器
打印机用驱动器
数码相机用驱动器
便携式相机模块用驱动器
栅极驱动器
MOSFET
栅极驱动器
双极晶体管
IGBT
二极管
IPD(智能功率元器件)
功率晶体管
功率二极管
SiC(碳化硅)功率器件
GaN功率器件
IGBT
智能功率模块
栅极驱动器
电阻器
电容器(capacitor)
存储器
串行EEPROM
时钟/计时器
CR控制方式计时器IC
开关/多路转换器/逻辑
标准逻辑IC
USB 开关 IC
电源管理开关IC
IPD(智能功率元器件)
数据转换器
A/D转换器
D/A转换器
音频转换器
传感器/MEMS
Current Sensor IC
霍尔IC系列
照度传感器IC
温度传感器IC
震动传感器用放大器
光学传感器
显示用驱动器
TN/STN液晶显示用驱动器
TFT液晶显示用驱动器(LCD)
有机EL显示用驱动器(OLED)
接口
SerDes IC
LVDS接口IC
Gas Water Heaters Interface ICs
多输入监控IC
LIN收发器
CAN收发器
USB Type-C Power Delivery
无线LSI
工业设备用无线通信LSI
音频/视频
音频放大器
音频处理器
视频放大器
音频转换器
图象LSI
语音合成LSI
车载用
长时间播放
短时间播放
支持外挂存储器
语音播放用微控制器(8bit)
微控制器
边缘计算AI微控制器 (Solist-AI™微控制器)
功率电子控制用微控制器 (LogiCoA™微控制器)
通用型微控制器(16bit)
USB接口及安全功能用微控制器 (32bit)
语音播放用微控制器(8bit)
贴片LED
激光二极管
光学传感器
无线通信模块
热敏打印头
Thin-Film Piezoelectric MEMS
Wafer (LAPIS)
BACK
运算放大器
通用
高速
低功耗电流
低噪音
低偏移
高性能
比较器
通用
高速
低功耗电流
DC-DC转换器IC
降压型 (Buck)
升压型 (Boost)
升降压和反相型 (Buck-Boost / Inverting)
AC-DC (Offline) 降压
Isolated, Optocoupler-less
PWM / Quasi-Resonant AC-DC (Offline)
AC-DC转换器
PWM / Quasi-Resonant
PFC + Quasi-Resonant Combo
PFC
Secondary Side Synchronous Rectification
LED 驱动器
升压LED驱动器
降压LED驱动器
升降压LED驱动器
多形态LED驱动器
照明用LED驱动器
无电感(充电泵)LED驱动器
额定电流/串行、并行LED驱动器
无线供电
受电LSI(13.56MHz Wireless Charge)
送电LSI(13.56MHz Wireless Charge)
电池管理
电池充电IC
充电保护IC
Coulomb Counter
锂电池监控LSI
栅极驱动器
内置绝缘元件的栅极驱动器
Isolated Switch Driver (Isolated MOS Driver)
IGBT/MOSFET 高边/低边栅极驱动器
电池管理系统(BMS)用非绝缘型栅极驱动器
GaN用栅极驱动器
MOSFET
12-150V MOSFET
190-800V功率MOSFET
车载MOSFET
双极晶体管
双极晶体管
数字晶体管
达灵顿晶体管
异质性复合晶体管
二极管
肖特基二极管
快速恢复二极管
标准整流二极管
齐钠二极管
TVS二极管
开关二极管
波段开关二极管
PIN二极管
检波肖特基二极管
功率晶体管
12-150V MOSFET
190-800V功率MOSFET
车载MOSFET
双极晶体管
数字晶体管
功率二极管
肖特基二极管
快速恢复二极管
标准整流二极管
TVS二极管
齐钠二极管
SiC(碳化硅)功率器件
SiC (碳化硅) 肖特基二极管
SiC (碳化硅) MOSFET
SiC (碳化硅) 功率模块
SiC (碳化硅) 肖特基势垒二极管Bare Die
SiC (碳化硅) MOSFET Bare Die
GaN Power Devices
GaN HEMT
GaN HEMT Power Stage ICs
GaN用栅极驱动器
IGBT
场截止沟槽型IGBT
Ignition IGBT
IGBT Bare Die
智能功率模块
IGBT-IPM
MOS-IPM
栅极驱动器
内置绝缘元件的栅极驱动器
IGBT/MOSFET 高边/低边栅极驱动器
电池管理系统(BMS)用非绝缘型栅极驱动器
电阻器
电流检测用贴片电阻器
高可靠型贴片电阻器
通用型贴片电阻器
电容器(capacitor)
硅电容器
串行EEPROM
通用
车载用
标准逻辑IC
逻辑门
TN/STN液晶显示用驱动器
LCD段码式驱动器系列
图形LCD用 控制器驱动器
工业设备用无线通信LSI
特定小功率无线(Sub-GHz频段无线)
LPWA无线
搭载MCU的特定小功率无线系统LSI
音频放大器
扬声器放大器
耳机放大器
线路放大器
高音质音响用电源
汽车音响用系统电源
音频处理器
模拟音频处理器
视频放大器
合成视频放大器
视频开关
隔离放大器
音频转换器
音频DAC
图象LSI
视频解码器
视频编码器
面向中小型TFT液晶显示器的显示屏控制器系列
贴片LED
贴片LED(单色型)
贴片LED(多色型)
LED灯(单色型)
红外发光二极管(NIR:近红外光)
红外发光二极管(SWIR:短波红外光)
激光二极管
高输出半导体激光二极管
赤外频带激光
赤色频带激光
多光束激光
光学传感器
传输型光斩波器
Reflective Type Photosensors
红外发光二极管(NIR:近红外光)
红外发光二极管(SWIR:短波红外光)
Phototransistors (NIR: Near Infrared)
照度传感器IC
无线通信模块
特定小功率无线模块(Wi-SUN模块)
EnOcean Modules
Bluetooth® low energy模块
热敏打印头
可移动打印机用系列
标签印字用
娱乐 / ATM
POS
物流、票券、计量器用打印头
标签 / 条形码
TTO(日期编码打印机)用
技术支持
搜索产品
产品选型工具
支持网页
设计
模拟/计算工具
评估板
参考设计
购买
学习
咨询/FAQ
新产品信息一览
产品目录
产品视频库
替代产品搜索
封装一览
推荐产品搜索
长期供货计划
同步整流DCDC转换器 MOSFET选型工具
负载开关用MOSFET的简易选型工具
AC/DC转换器IC
DC-DC电源电路 设计指南
绝缘型FLYBACK转换器
SiC功率元器件
拓扑选择
参考设计
应用笔记和设计模型
设计模型
ROHM Solution Simulator
ROHM PLECS Simulator
LTspice
®
演示电路集(功率电子)
PLECS
®
演示电路集(功率电子)
AC/DC Designer
Stepping motor for thermal calculations tool
电阻的计算工具
电阻温度系数(TCR) 计算工具
传感器评估套件
电源管理评估板
已通过CISPR25测试 适用于车载ADAS/Info-Display 8个系统电源树
Single Channel LiDAR (REFLD001)
Totem-Pole PFC Bidirectional Power Converter(REFTPLPFC001)
DC/DC CLLLC Bidirectional Power Converter(REFCLLLC001)
分销库存
网络代售点信息
电路设计学习指南
电子小知识
应用与合作案例
联系我们
常见问题
BACK
车载
工业设备
消费电子设备
功能(功能电路)
BACK
xEV
车身ECU
ADAS
LED照明
信息娱乐系统/仪表盘
电动摩托车
能源
电机
基础设施
服务器/数据中心
工厂自动化(FA)
安防
家电
通信设备
电流检测
电机
边缘计算AI
功能安全「ComfySIL™」
BACK
主驱逆变器/牵引逆变器
车载充电器(OBC)- 双向
车载充电器(OBC)- 单向
车载DC-DC转换器
车载BMS(电池管理系统)
电动压缩机(E-Comp)
车身控制模块(BCM)
HV加热器/PTC加热器
ADAS域控制器
ADAS ECU
ADAS雷达
ADAS LiDAR
ADAS声呐
ADAS摄像头系统
ADAS摄像头监控系统(CMS)
ADAS驾驶员监控系统(DMS)
行车记录仪
LED前照灯
LED前照灯 - 自适应远光灯
LED尾灯 - 支持冷启动
LED尾灯 - 流水灯点亮
LED尾灯 - 动态控制
示廓灯
雾灯
仪表盘/中央信息显示屏(CID)
抬头显示系统(HUD)
主驱逆变器/牵引逆变器
VCU(Vehicle Control Unit)
DC-DC转换器
车灯
组合仪表
光伏逆变器(PV Inverter)
EV充电桩(Off-board Charger)
工业用AC-DC转换器
小型UPS - 1kVA
UPS - 10kVA
工业用UPS - 100kVA
工业用电池管理系统(电池包)
智能电表
电机驱动:三相 AC100V-240V 非隔离
电机驱动:三相 AC400V 逆变器
电机驱动:DC12V-48V 工业用
电机驱动:三相 AC100V-240V AC伺服
基站 Remote Radio Head(RRH)
电源供应单元(PSU)
备用电池单元(BBU)
AI服务器主板
工业用LiDAR
AGV
PLC(Programmable Logic Controller)- 电源单元
PLC (Programmable Logic Controller) - 输入输出单元
读码器
光学式编码器
安全光栅
气体泄漏检测仪(商用,手持式)
监控器
空调
冰箱
洗衣机
扫地机器人
IH电饭煲
燃气泄漏报警器 - 家用
火灾报警器 - 家用
可听戴设备
非隔离式电流检测 - 车载
非隔离式电流检测 - 工业设备
工业电机
功能安全「ComfySIL™」
完全独立型AI解决方案 “Solist-AI™”
BACK
购买与服务支持
其他基地
BACK
销售网点
网络代售点
质量认证
罗姆集团
生产基地
研发网点
物流网点
网络代售点库存搜索
前部匹配
部分匹配
完全匹配
BACK
公司介绍
股东和投资方信息
研究开发
文化与社会
header - ROHM Sensor Evaluation Kit
sensor-shield-support_sidenavi_new
罗姆传感器评估套件 TOP
单独销售传感器模块
气压传感器
BM1390GLV-EVK-001
加速度传感器
KXTJ3-1057-EVK-002
温度传感器
BH1900NUX-EVK-001
照度接近传感器
RPR-0521RS-EVK-001
霍尔传感器
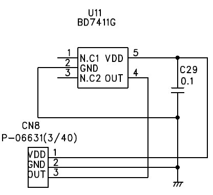
BD7411G-EVK-001
温度传感器
BD1020HFV-EVK-001
Arduino用Shield板
SHIELD-EVK-001
相关信息
罗姆传感器
罗姆集团的传感器产品介绍特设网页
从零开始,电子工程超入门
Arduino上进行使用传感器的开发,非常轻松!搭载8种传感器的罗姆传感器评估套件用后感。
07_hall-sensor - ROHM Sensor Evaluation Kit
霍尔IC评估板BD7411G-EVK-001的购买
数据表
霍尔IC系列 两极检测霍尔IC
PDF格式: 678KB
DOWNLOAD
引脚输出/Shield信息
电路图
电路板布局
硬件设定
在GPIO的区域插入板卡
电源电压的设定 (5.0V)
手册
ROHM Sensor Shield的使用方法
PDF格式:1.11MB
DOWNLOAD
BD7411G-EVK-001的使用方法
PDF格式:689KB
DOWNLOAD
软件
BD7411G用软件(至使用同意书页面)
ZIP格式:3.94KB
DOWNLOAD
china-製品特設CSS
Hidden
X