LLC Converter (Full Bride, Synchronous FETs)
说明
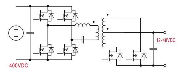
可以同时实现 ZVS 操作(一次侧开关)和 ZCS 操作(二次侧开关)的谐振转换器。通过使用开关网络和谐振电路产生像正弦波一样的电流波形来实现低噪声和高效率。在该电路中,初级侧的开关电路由全桥组成,次级侧由中心抽头变压器组成,通过配置MOSFET代替二极管,来实现较高的功率(约几千瓦)和高效率是很常见的。
概要
・Cr 和 Lr 之间的串联谐振
・Lr有时是通过变压器的漏感来实现的
・通过开关频率控制输出电压的复杂电路
・软开关操作与负载无关,而是由磁化电感 Lm 决定
・瞄准 80 PLUS 认证的钛,效率为 98%
・开关频率 100~200kHz
电路

主要产品
| Product Category | Product family | Product Number | Feature |
|---|---|---|---|
| Primary Side (HV) | 600V SJ MOS | PrestoMOS (JNx series) | 出色的开关性能(低 Qrr,短 Trr) |
| Secondary Side (LV) | 100V MOSFET | RQ3P300BH | 采用小型 HSMT8 封装的 100V 耐压 MOSFET |
| 40V MOSFET | RS1G300GN | 采用 HSOP8 封装的 40V 耐压 MOSFET | |
| Gate Driver | HV side | BM60212FV-C | 非常适合配置双栅极驱动、半桥、全桥拓扑 |
| LV Side | BD85506F | 同步整流控制IC |
仿真
Coming soon
相关拓扑
LLC Converter (Full Bridge, Diode Rectification)

