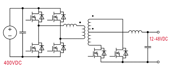
Phase-Shifted Full Bridge Converter (Synchronous FETs)
说明
它是一种在一次侧的左右支路之间提供相移并仅在重叠期间向二次侧供电的电路。由于每个支路的 Duty 固定在 50% 左右,因此可以进行零电压开关 (ZVS) 操作,适用于高电压(400VDC 系列等)和几 kW 的应用。常用于EV OBC和服务器DC-DC等。 ZVS 工作的话一次侧需要一个电感器。在这个电路方案中,旨在通过用 MOSFET 配置二次侧来提高效率。
概要
・通过一次侧 的 SJ MOSFET 和二次侧的 LV (Si) MOSFET 实现
・零电压开关 (ZVS)
・通过两对半桥移相以控制电压和电流
・绝缘变压器可实现大降压比
・可实现约 96% 的效率
・开关频率 100~150kHz
・推荐使用 PrestoMOS,一种带有坚固且快速的体二极管的 SJ MOSFET
电路

主要产品
| Product Category | Product family | Product Number | Feature |
|---|---|---|---|
| Primary Side (HV) | 600V SJ MOS | PrestoMOS (JNx series) | 出色的开关性能(低 Qrr,短 Trr) |
| Secondary Side (LV) | 100V MOSFET | RQ3P300BH | 采用小型 HSMT8 封装的 100V 耐压 MOSFET |
| 40V MOSFET | RS1G300GN | 采用 HSOP8 封装的 40V 耐压 MOSFET | |
| Gate Driver | HV side | BM60212FV-C | 非常适合配置双栅极驱动、半桥、全桥拓扑 |
| LV Side | BD85506F | 同步整流控制IC |
仿真
Coming soon
相关拓扑
LLC Converter (Full Bride, Synchronous FETs)

