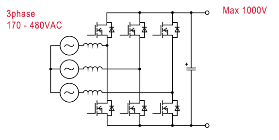
3-phase 2-level full bridge PFC (Bidirectional)
说明
三相桥式 PFC 是一种在需要使用三相交流电源进行双向功率转换时使用的类型。 支持170~480V,三相供电,VBUS电压最高可达1000V。 由于可用于各种功率转换应用,因此可用于配备 EV 的车载充电器和电力存储系统。
概要
- 3相PFC
- 实现高效率
- 支持双向工作
电路

主要产品
| Product Category | Product family | Product Number | Feature |
|---|---|---|---|
| Transistor | 1200V SiC MOSFET | SCT4xxxKx series NEW | 新款SiC MOSFET 产品。 通过改进低导通电阻实现出色的性能。 支持1200V耐压,非常适合高电压应用。 |
| SCT3xxxKx series | 与本公司传统产品相比,导通电阻低(降低 50%)的沟槽栅极型 SiC MOSFET。 | ||
| 1200V IGBT | RGSxxTSx2 series | 集成1200V IGBT超高速软恢复FRD的产品。 | |
| SiC Power Module | BSMxxD12 / D17Pxx | 1200V / 1700V SiC 功率模块,采用半桥拓扑结构。 | |
| Gate Driver | 3750V voltage tolerance | BM61x4xRFV | 1ch构成,3,750Vrms 绝缘型栅极驱动器。可与带电流源端子的开关元件兼容 |
Simulation
3-phase 2-level full bridge PFC (3-wire)
3-phase 2-level full bridge PFC (4-wire)
Related Topologies

