3-phase 3-level vienna PFC (Unidirectional)
说明
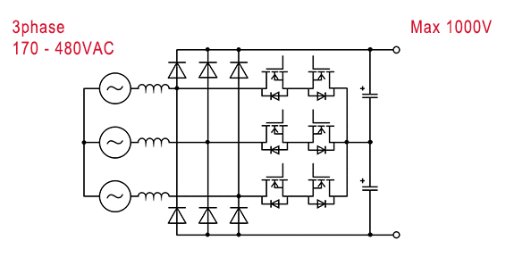
TVienna拓扑用于大功率三相PFC应用。通过控制直流中点的电位,可以获得接近正弦波的输入电流。当想要保持较低的输入三相电网的THD(Total Harmonic Distortion:总谐波失真)时,此拓扑非常有用。
概要
- 三相PFC(单向)
- 大功率应用中常见的拓扑
- 高效PFC拓扑
电路

主要产品
| Product Category | Product family | Product Number | Feature |
|---|---|---|---|
| Transistor | 750V SiC MOSFET | SCT4xxxDx series NEW | 新款的SiC MOSFET 产品。通过改进低导通电阻实现出色的性能。支持750V的耐压,与传统产品相比,确保了工作裕度,因此可以放心使用。 |
| 650V SiC MOSFET | SCT3xxxAx series | 与本公司传统产品相比,导通电阻低(降低 50%)的沟槽栅极型 SiC MOSFET。 | |
| 650V SJ-MOSFET | R65 series | 采用Super Junction技术的耐压600至800V的功率MOSFET产品,实现了高速开关和低导通电阻性能。 封装阵容丰富。 | |
| Diode | 1200V SiC SBD | SCS2xxKx series | 如果考虑耐压和开关速度,SiC SBD 也是明智的选择。 |
| Gate Driver | 3750V voltage tolerance | BM61x4xRFV | 1ch构成,3,750Vrms 绝缘型栅极驱动器。 可与带电流源端子的开关元件兼容 |
Simulation
Coming soon
Related Topologies
3-phase 2-level full bridge PFC (Bidirectional)
3-phase 3-level NPC type-T PFC

