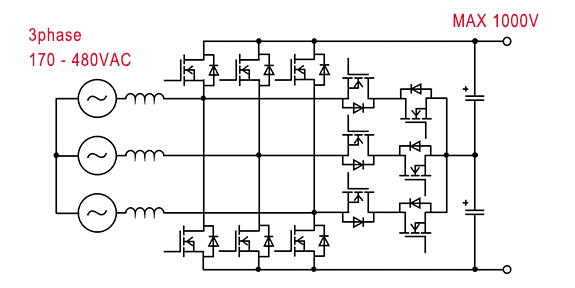
3-phase 3-level NPC type-T PFC
说明
该拓扑电路是采用逆变电路中常见的NPC(Neutral Point Clamp)方式的PFC电路。 通过采用多电平方式,有望降低功率损耗(高效率)。 此外,通过使用 SiC 产品,可以实现更高的效率。
概要
- 三相PFC
- 多电平
- 高效PFC拓扑
电路

主要产品
| Product Category | Product family | Product Number | Feature |
|---|---|---|---|
| Transistor | 1200V SiC MOSFET | SCT4xxxKx series NEW | 新款SiC MOSFET产品。通过改进低导通电阻实现出色的性能。 支持1200V耐压,非常适合高电压应用。 |
| SCT3xxxKx series | 与本公司传统产品相比,导通电阻低(降低 50%)的沟槽栅极型 SiC MOSFET。 | ||
| Gate Driver | 3750V voltage tolerance | BM61x4xRFV | 1ch构成,3,750Vrms 绝缘型栅极驱动器。可与带电流源端子的开关元件兼容 |
Simulation
Coming soon
Related Topologies
3-phase 2-level full bridge PFC (Bidirectional)
3-phase 3-level vienna PFC (Unidirectional)

