HERIC inverter (1-phase application)
Description
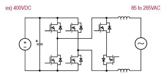
HERIC (Highly Efficient and Reliable Inverter Concept) is a well-known topology for photovoltaic systems. This is a configuration in which two anti-parallel auxiliary switches are added to the conventional H-bridge inverter. These switches can pass freewheel current through the shortest route during the period when the output voltage of the H-bridge inverter is zero, and can improve loss and noise.
Overview
- Six switches conform this topology, in which the four on the H bridge switch at high frequency, and the two external ones switch at grid frequency.
- Lower cost SJ-MOSFET
- Lower loss SiC MOSFET, IGBT
- Smaller Package choises from 3-leads, 4-leads or 7-leads,
Circuit

Key Products
| Product Category | Product Family | Product Number | Feature |
|---|---|---|---|
| Switch | 650V IGBT | RGWxxTx65 series | Trench-gate and thin-wafer technologies are utilized to achieve low VCE(sat) reducing switching loss. |
| 600V SJ MOSFET | R60 serires | 600 to 800V power MOSFETs using superjunction technlogy, PrestoMOSTM series enable high speed switching and low on-resistance performance. Variaous choice of package are availble. | |
| 750V SiC MOSFET | SCT4xxxDx series | The latest SiC MOSFET device. Enhanced low on-resistance enable best in class performance. It supports 750 V withstand voltage, ensuring a higher operating margin than conventional products, and can be used safely. | |
| 650V SiC MOSFET | SCT3xxxAx series | Trench-gate SiC MOSFET with low on-resistance (50% reduction) compared to conventional products. | |
| Gate Driver | Galvanic Isolated gate driver | BM61x4xRFV | 1ch configuration, 3,750Vrms isolated type Gate Driver, can be used for switching devices with current source pins. |
Simulation
Comming soon
Related Topologies
Full bridge inverter (1-phase application)
3-Level NPC TYPE-I inverter (3-phase application)

