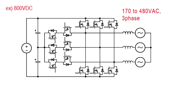
3-Level NPC T-type inverter (3-phase application)
Description
A multi-level inverter for high voltage. The figure shows a 3-level inverter that clamps the midpoint of the input voltage using switches, called a T-type NPC because of its configuration. As with the diode clamp type, the applied voltage of the switch is half of the input voltage, and the ripple current of the inductor is also reduced, so low loss and miniaturization can be expected. By increasing the number of levels, it is possible to handle even higher voltages.
Overview
- Multi-level, complex topology
- choise of SiC MOSFET reduce losses significantly
Circuit

Key Products
| Product Category | Product Family | Product Number | Feature |
|---|---|---|---|
| Switch | 1200V SiC MOSFET | SCT4xxxKx series | The latest SiC MOSFET device. Enhanced low on-resistance enable best in class performance. It supports 1200V withstand voltage, ideal for higher voltage applications. |
| SCT3xxxKx series | 1200V SiC MOSFET with high voltage torelance and low power dissipation. | ||
| 750V SiC MOSFET | SCT4xxxDx series | The latest SiC MOSFET device. Enhanced low on-resistance enable best in class performance. It supports 750 V withstand voltage, ensuring a higher operating margin than conventional products, and can be used safely. | |
| 650V SiC MOSFET | SCT3xxxAx series | Trench-gate SiC MOSFET with low on-resistance (50% reduction) compared to conventional products. | |
| Gate Driver | Galvanic Isolated gate driver | BM61x4xRFV | 1ch configuration, 3,750Vrms isolated type Gate Driver, can be used for switching devices with current source pins. |
Simulation
B-011. 3-level NPC-T Inverter POUT=10kW
Related Topologies
Full bridge inverter (1-phase application)
HERIC inverter (1-phase application)

