3-Level NPC I-type inverter (3-phase application)
Description
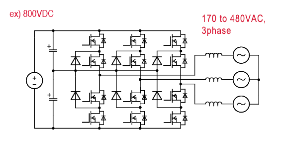
A multi-levels inverter for higher voltage. The figure shows a 3-level inverter in which the midpoint of the input voltage is clamped by diodes. Since the applied voltage of the switch is half of the input voltage and the ripple current of the inductor is also reduced, low loss and miniaturization can be expected. By increasing the number of levels, it is possible to handle even higher voltages.
Overview
- Multi-level, complex topology
- choise of SiC MOSFET reduce losses significantly
Circuit

Key Products
| Product Category | Product Family | Product Number | Feature |
|---|---|---|---|
| Switch | 750V SiC MOSFET | SCT4xxxDx series | The latest SiC MOSFET device. Enhanced low on-resistance enable best in class performance. It supports 750 V withstand voltage, ensuring a higher operating margin than conventional products, and can be used safely. |
| 650V SiC MOS | SCT3xxxAx series | Trench-gate SiC MOSFET with low on-resistance (50% reduction) compared to conventional products. | |
| 650V IGBT | RGWxxTx65 series | Trench-gate and thin-wafer technologies are utilized to achieve low VCE(sat) reducing switching loss. | |
| Diode | 650V SiC SBD | SCS3xxAx series | High IFSM in spite of low VF, low leakage current provides safety design |
| 650V Si FRD | RFL series | Improved fast switching capability than RFN series. 650V higher voltage torelance. | |
| 650V Si FRD | RFUH series | Small trr enable fast switching capability, RFUH series compatible to automotive use case. | |
| Gate Driver | Galvanic Isolated gate driver | BM61x4xRFV | 1ch configuration, 3,750Vrms isolated type Gate Driver, can be used for switching devices with current source pins. |
Simulation
B-012. 3-level NPC-I Inverter POUT=10kW
Related Topologies
Full bridge inverter (1-phase application)
HERIC inverter (1-phase application)

