Boost PFC
说明
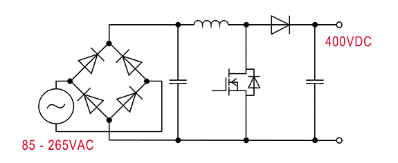
这是由单个升压转换器组成的最简单和最常用的 PFC 电路。通过开关操作可以产生所需的电流波形,并使功率因数接近于1。
概要
・ 选择 SJ MOSFET用于开关,整流使用 SiC 二极管(或 FRD)。
・ 效率约为 98%(AC230V,满载时)
・ 开关频率 70kHz 至 130kHz
电路

主要产品
| Product Category | Product family | Product Number | Feature |
|---|---|---|---|
| Switching Transistor | 600 / 650V SJ MOS | R60xxKN /R65xxKN | 兼顾了性能和易用性 |
| 650 V IGBT | RGWxx series | 维持效率的同时采用IGBT的低成本提案 | |
| Diodes | 650 V SiC SBD | SCS3xx series | 第三代 SiC SBD 提高了浪涌电流耐受性 |
| 650V Si FRD | RFS series | RFS:与RSV系列相比低Vf,但具有超高速开关能力 | |
| RFL series | RFL:与RFN系列相比,提高了高速开关特性,实现了650V的高耐压 | ||
| 600 V Si FRD | RFV series | CCM 模式工作所需的高速 trr 特性 与 SiC SBD 相比的低成本提案 | |
| RFN series | DCM 模式工作所需的低 Vf 特性 与 SiC SBD 相比的低成本提案 | ||
| Gate Driver | Isolated | BM61xxx Series | 1ch 配置,3,750Vrms 绝缘型栅极驱动器。 兼容带有电流源端子的开关元件 |
| non-Isolated | BD2310G | 简洁的1ch 配置的非绝缘型栅极驱动器 |
仿真
A-001 : Boost PFC VIN=200V, IIN=2.5A, BCM
A-002 : Boost PFC VIN=200V, IIN=2.5A, CCM
A-004 : Boost PFC VIN=200V, IIN=2.5A, DCM
相关拓扑

