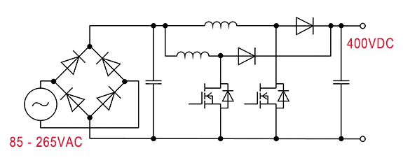
Interleaved Boost PFC
说明
通过将两个升压转换器的相位偏移180度,可以降低电感和开关的电流应力,也可以降低电容的纹波电流。这种拓扑对于高功率(几千瓦)是有效的。
概要
・低噪音、高功率输出
・效率可达98%左右
・开关频率 70kHz 至 130kHz
・因为零件数量比较多,所以电路板面积会偏大
电路

主要产品
| Product Category | Product family | Product Number | Feature |
|---|---|---|---|
| Switching Transistor | 600 / 650V SJ MOS | R60xxKN /R65xxKN | 兼顾了性能和易用性 |
| 650 V IGBT | RGWxx series | 维持效率的同时采用IGBT的低成本提案 | |
| Diodes | 650 V SiC SBD | SCS3xx series | 第三代 SiC SBD 提高了浪涌电流耐受性 |
| 650V Si FRD | RFS series | RFS:与RSV系列相比低Vf,但具有超高速开关能力 | |
| RFL series | RFL:与RFN系列相比,提高了高速开关特性,实现了650V的高耐压 | ||
| 600 V Si FRD | RFV series | CCM 模式工作所需的高速 trr 特性 与 SiC SBD 相比的低成本提案 | |
| RFN series | DCM 模式工作所需的低 Vf 特性 与 SiC SBD 相比的低成本提案 | ||
| Gate Driver | Isolated | BM61xxx Series | 1ch 配置,3,750Vrms 绝缘型栅极驱动器。 兼容带有电流源端子的开关元件 |
| non-Isolated | BD2310G | 简洁的1ch 配置的非绝缘型栅极驱动器 |
仿真
A-006 : Interleaved PFC VIN=200V, IIN=2.5A, CCM
相关拓扑

