Bipolar Boost Converter
Description
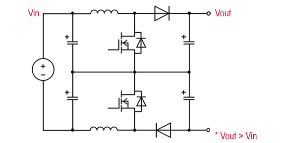
This is a circuit that boosts the input voltage to a higher output voltage. The main switch stores magnetizing energy in the inductor during the on period, and the diode turns on during the off period, supplying the magnetizing energy of the inductor to the output.
Dual Boost Converter, also known as bipolar boost converter, is utilising a new converter topology which offers bipolar DC outputs with the key features of boosting the input voltage and balancing the output voltages.
Overview
- Various choises of Boost Switch depend on system requirements
- Lower cost SJ-MOSFET
- Lower loss SiC MOSFET, IGBT
- Smaller Package choises from 3-leads, 4-leads or 7-leads,
- Boost diode can be choosed from
- Si Fast Recovery Diode
- SiC Shott Key Diode
Circuit

Key Products
| Product Category | Product Family | Product Number | Feature |
|---|---|---|---|
| Boost Switch | 650V IGBT | RGWxxTx65 series | Trench-gate and thin-wafer technologies are utilized to achieve low VCE(sat) reducing switching loss. |
| 600V SJ MOSFET | R60 serires | 600 to 800V power MOSFETs using superjunction technlogy, PrestoMOSTM series enable high speed switching and low on-resistance performance. Variaous choice of package are availble. | |
| 750V SiC MOSFET | SCT4xxxDx series NEW | The latest SiC MOSFET device. Enhanced low on-resistance enable best in class performance. It supports 750 V withstand voltage, ensuring a higher operating margin than conventional products, and can be used safely. | |
| 650V SiC MOSFET | SCT3xxxAx series | Trench-gate SiC MOSFET with low on-resistance (50% reduction) compared to conventional products. | |
| Boost Diode | 650V SiC SBD | SCS3xxAx series | High IFSM in spite of low VF, low leakage current provides safety design. |
| 650V Si FRD | RFS series | Lower Vf than RSV series, but ultra fast switching capability | |
| RFL series | Improve fast switching capability than RFN series. | ||
| 650V Si FRD | RFUH series | Small trr enable fast switching capability, RFUH series compatible to automotive use case. | |
| Gate Driver | Galvanic Isolated gate driver | BM61x4xRFV | 1ch configuration, 3,750Vrms isolated type Gate Driver, can be used for switching devices with current source pins. |
Related Topologies
- Boost Converter (Boost Diode)
- Bidirectional Buck-Boost converter

