Dual Buck-Boost Converter
Description
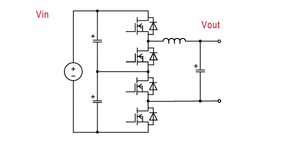
Step-down circuit for higher voltage applications. The buck converter consists of two stages, using the midpoint of the input capacitor.
Since half of the total input voltage is applied to the device, it is effective for systems with higher input voltages. The same circuit can be configured as a voltage booster circuit by changing the control method.
Overview
- Suitable for higher voltage input
- Buck Boost converter
Circuit

Key Products
| Product Category | Product Family | Product Number | Feature |
|---|---|---|---|
| Switch | 1200V SiC MOSFET | SCT4xxxKx series | The latest SiC MOSFET device. Enhanced low on-resistance enable best in class performance. It supports 1200V withstand voltage, ideal for higher voltage applications. |
| SCT3xxxKx series | 1200V SiC MOSFET with high voltage torelance and low power dissipation. | ||
| 750V SiC MOSFET | SCT4xxxDx series | The latest SiC MOSFET device. Enhanced low on-resistance enable best in class performance. It supports 750 V withstand voltage, ensuring a higher operating margin than conventional products, and can be used safely. | |
| 650V SiC MOSFET | SCT3xxxAx series | Trench-gate SiC MOSFET with low on-resistance (50% reduction) compared to conventional products. | |
| 650V IGBT | RGWxxTx65 series | Trench-gate and thin-wafer technologies are utilized to achieve low VCE(sat) reducing switching loss. | |
| Gate Driver | Galvanic Isolated gate driver | BM61x4xRFV | 1ch configuration, 3,750Vrms isolated type Gate Driver, can be used for switching devices with current source pins. |
Related Topologies
Bidirectional Buck-Boost converter

