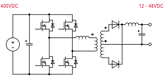
Phase-Shifted Full Bridge Converter (Diode Rectification)
说明
是一种在一次侧的左右桥臂之间有相移并仅在重叠期间向二次侧供电的电路。 由于各桥臂的占空比固定在50% 左右,可以进行零电压开关 (ZVS)工作,因此很适用于高电压(400VDC 系列等)和几千瓦的应用。 通常用于EV的OBC和服务器用的DC/DC等应用。对于ZVS工作来说,一次侧需要电感器
概要
- 零电压开关 (ZVS) 工作
- 在两个半桥之间移相以控制电压和电流。
- 使用绝缘变压器实现大降压比
- 转换效率达96%左右
- 频率:100~150kHz
- SJ-MOS FET 需要稳定且高速的体二极管-> PrestoMOS
电路

主要产品
| Product Category | Product family | Product Number | Feature |
|---|---|---|---|
| Primary Side | 750V SiC MOSFET | SCT4xxxDx series NEW | MOSFET产品。通过改进低导通电阻实现出色的性能。支持750V的耐压,与传统产品相比,确保了工作裕度,因此可以放心使用。 |
| 650V SiC MOSFET | SCT3xxxAx series | 与本公司传统产品相比,导通电阻低(降低 50%)的沟槽栅极型 SiC MOSFET。 | |
| Secondary Side | 30~200V SBD | RBQ, RBxx8 series | 超低IR的SBD适用于整流,RBxx8系列可提供广泛的电压选择 |
| Gate Driver | 3750V voltage tolerance | BM61x4xRFV | 1ch构成,3,750Vrms 绝缘型栅极驱动器。 可与带电流源端子的开关元件兼容 |
Simulation
C-019: Phase-Shifted Full Bridge Converter (Diode Rectification)
Related Topologies
LLC Converter (Full Bridge, Synchronous FETs)

