ev-charging-station

功率级拓扑选择 - 电动汽车用充电桩

Power Stage
                Topology Selection - ON Board Charger for EV (OBC)

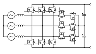
AC/DC

  • 3-phase 2-level full bridge PFC  (Bidirectional)

    3-phase 2-level full bridge PFC
    (Bidirectional)

  • 3-phase 3-level vienna PFC (Unidirectional)

    3-phase 3-level vienna PFC
    (Unidirectional)

  • 3-phase 3-level NPC type-T PFC

    3-phase 3-level NPC type-T PFC

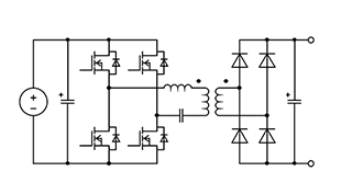
DC/DC

  • LLC Converter(Full Bridge, Diode Bridge)

    LLC Converter
    (Full Bridge, Diode Bridge)

  • Dual Active Bridge (DAB) Converter

    Dual Active Bridge (DAB) Converter

 

china-製品特設CSS