industry-power-converter

功率级拓扑选择 - 工业电源转换器/SMPS

Power Stage
                Topology Selection - SMPS

AC/DC

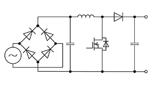
  • Boost PFC

    Boost PFC

  • Interleaved Boost PFC

    Interleaved Boost PFC

  • Totem-Pole Bridgeless PFC (Diode Rectification)

    Totem-Pole Bridgeless PFC
    (Diode Rectification)

  • Totem-Pole Bridgeless PFC (Synchronous FETs)

    Totem-Pole Bridgeless PFC
    (Synchronous FETs)

DC/DC

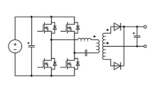
  • LLC Converter(Full Bridge, Synchronous FETs)

    LLC Converter
    (Full Bridge, Diode Rectifier)

  • LLC Converter(Full Bridge, Synchronous FETs)

    LLC Converter
    (Full Bridge, Synchronous FETs)

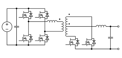
  • Phase Shifted Full Bridge Converter(Diode Rectifier)

    Phase Shifted Full Bridge Converter
    (Diode Rectifier)

  • Phase-Shifted Full Bridge Converter (Synchronous FETs)

    Phase-Shifted Full Bridge Converter
    (Synchronous FETs)

 

china-製品特設CSS