AC/DC (PFC)
-
Interleaved Boost PFC
-
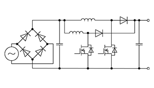
Totem-Pole Bridgeless PFC
(Diode Rectification) -
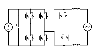
Totem-Pole Bridgeless PFC
(Synchronous FETs) -
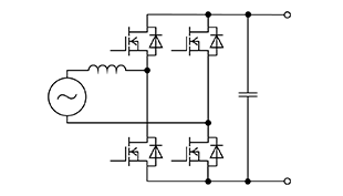
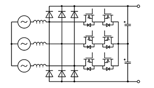
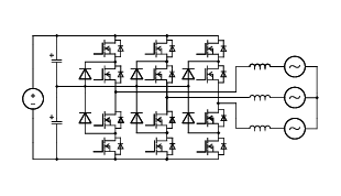
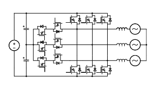
3-phase 2-level full bridge PFC
(Bidirectional)
DC/AC (Inverter)
-
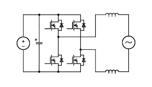
Full bridge inverter (1-phase application)
-
HERIC inverter (1-phase application)
-
3-Level NPC TYPE-I inverter (3-phase application)
-
3-Level NPC TYPE-T inverter (3-phase application)













